
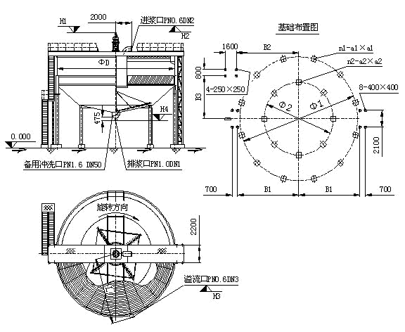
用途: 高效浓缩机主要用于火电厂除灰渣系统中的高效灰浆浓缩设备,亦作为脱水仓等渣水分离设备的排出水沉淀设备,具有体积小、效率高、工程造价低等优点,是混凝土结构浓缩沉淀池的最佳换代产品。 结构特点: NSJ型高效浓缩机由仓体、转动耙组件、驱动装置、浓缩斜板组件、稳流装置及钢支架等组成,具有如下特点: 1、 仓体由圆柱体和圆锥体组成,仓体上部设有溢流堰,仓顶设有检修平台。 2、 转动耙组件由转动轴、转动耙等件组成,其主要作用是把沉淀在仓底的灰浆刮向仓底中心的排浆管道。 3、 驱动装置由电机、摆线针轮减速机及联轴器等组成,布置在仓顶平台上。 4、 浓缩斜板组件由耐蚀性好的PVC板(或玻璃钢)及支架制成,均匀分布在仓体中部,是加速灰浆沉淀的主要元件。 5、 稳流装置设置于仓体中心,主要起改变灰水流动方向,增强沉淀效果,稳定排水流层的作用。 主要技术参数: | 型号 | NSJ-5 | NSJ-8 | NSJ-10 | NSJ-12 | NSJ-15 | 公称直径(mm) | 5000 | 8000 | 10000 | 12000 | 15000 | 耙直径(mm) | 3000 | 5500 | 8000 | 8900 | 9000 | 灰浆处理量(t/h) | 100 | 300 | 400 | 600 | 800 | 入口灰水比 | 1:10 | 出口灰水比 | 1:2 | 溢流水水质(ppm) | <250 | 电机型号 | Y802-4 | Y90S-4 | Y90S-4 | Y90L-4 | Y100L1-4 | 电机功率 | 0.75 | 1.1 | 1.1 | 1.5 | 2.2 | 减速机型号 | XLSD0.75/1.1-1063 | XLSD1.1/2.2-1174 | 减速比 | 1:6545 | 1:10625 | 1:12427 | 1:12427 | 1:12427 | 耙转速(r/min) | 0.23 | 0.14 | 0.12 | 0.12 | 0.12 | 许用转矩(N/m) | 11767 | 11767 | 19612 | 19612 | 19612 | 设备重量(t) | 26 | 43.5 | 53.6 | 61.8 | 113.6 | | | | | | | | 高效浓缩机外形及主要安装尺寸: 代号 | 单位 | NSJ-5 | NSJ-8 | NSJ-10 | NSJ-12 | NSJ-15 | D | mm | 5000 | 8000 | 10000 | 12000 | 15000 | H1 | mm | 7818 | 8930 | 9080 | 9320 | 11200 | H2 | mm | 6418 | 7380 | 7420 | 7660 | 9420 | H3 | mm | 5228 | 6110 | 6050 | 6290 | 7960 | H4 | mm | 1500(根据系统要求确定) | L | mm | 5300 | 4400 | 5460 | 6500 | 8000 | DN1 | mm | 150 | 200 | 200 | 300 | 300 | DN2 | mm | 300 | 350 | 400 | 500 | 500 | DN3 | mm | 300 | 350 | 400 | 500 | 500 | B1 | mm | 2800 | 4300 | 5300 | 6300 | 7800 | B2 | mm | 2800 | 4300 | 5300 | 6300 | 7800 | B3 | mm | 2500 | 2800 | 3000 | 3200 | 4000 | φ1 | mm | 5010 | 8010 | 10010 | 12010 | 15010 | φ2 | mm | | 2500 | 3500 | 4000 | 8800 | n1-a1×a1 | mm | 6-400×400 | 5-500×500 | 8-500×500 | 8-600×600 | 12-600×600 | n2-a2×a2 | mm | | 3-500×500 | 4-500×500 | 4-600×600 | 6-600×600 |
|