
用途: 在散状物料的输送中,斗式提升机是使用最广泛的一种垂直提升设备。其被广泛地用于煤炭、化工、火电、水泥等行业及粮食储运等场所的散状物料提升。 ZBT系列重载板链斗式提升机作为HL型、D型等斗式提升机的更新换代产品,以其节能、高效、安全、磨损轻、寿命长的特点被广大用户认知,而正逐步替代HL型、D型等斗式提升机。 ZBT系列重载板链斗式提升机,其输送形式是:被输送物料由底部进料口喂入连续、密布的料斗中,运至顶端翻转时,利用重力及料斗的引导,卸料至出料口流出。此即所谓的流入式喂料,重力诱导式卸料。 ZBT系列重载板链斗式提升机主要有七种规格:ZBT250、ZBT300、ZBT400、ZBT500、ZBT630、ZBT800、ZBT1000。 结构特点: 1. 提升物料范围广。本提升机对物料的种类、特性及块度要求少,其不仅能提升一般的粉状、粒状物料,对少许块状物料及磨琢性较强的物料也有较强的适应性。 2. 提升能力大。出力范围~565m3/h,最大可达1100m3/h,提升高度可高达50m。 3. 使用寿命长。本提升机的装料采用流入式,料斗为连续密布式,无需用斗掏料,因此在减少动力消耗的同时,可大大减少链条、链斗的磨损,从而提高其使用寿命。 4. 运行安全可靠,故障率低;维护检修方便,易损件少,运行费用低。 技术性能表: | 型 号 | ZBT250 | ZBT300 | ZBT400 | ZBT500 | ZBT630 | ZBT800 | ZBT1000 | 输 送 量 | m3/h | ~40 | ~60 | ~70 | ~90 | ~120 | ~160 | ~220 | 最 大 块 度 | mm | 50 | 50 | 60 | 80 | 100 | 125 | 150 | 料 斗 | 斗 宽 | mm | 250 | 300 | 400 | 500 | 630 | 800 | 1000 | 斗 容 | L | 6.8 | 10 | 12 | 20 | 40 | 50 | 70 | 斗 速 | m/s | ~1.0 | 斗 距 | mm | 250 | 250 | 250 | 400 | 500 | 500 | 630 | 链 条 节 距 | mm | 125 | 125 | 160 | 200 | 250 | 250 | 315 | 最大提 升高度(m) | 堆比重800kg/m3 | 50 | 40 | 40 | 40 | 40 | 30 | 30 | 堆比重1200kg/m3 | 46 | 36 | 33 | 32 | 28 | 28 | 28 | 堆比重1600kg/m3 | 43 | 34 | 32 | 30 | 28 | 27 | 27 | 堆比重2000kg/m3 | 40 | 32 | 31 | 28 | 26 | 25 | 20 | | | | | | | | | | | | 注:表中输送量按填充系数ψ=0.7~0.85计算。 结构简介: ZBT型重载板链斗式提升机由底部机壳、张紧装置、中间壳体、头部机壳、驱动机构、拖动机构、链条及料斗等组成。 1、底部机壳: 底部机壳底部与基础之间用地脚螺栓相连,顶部法兰与中间机壳相接。 底部壳体上设有3个检修门、一个清扫门、一个进料口以及供安装张紧装置用的起吊横梁。安装拖动链条、料斗以及平时对机件的维修均可在底部检修口进行。利用清扫门可以对底部的积料进行清扫。 2、张紧装置: 张紧装置位于底部机壳,其采用配重自动张紧装置,张紧力恒定,张紧行程长。 3、中间机壳: 中间机壳标准高度为2m,为满足不同提升高度的需要,可增设非标机壳进行调整。为保证运行平稳性,中间机壳设有导轨。 4、上部区段: 上部区段由头部壳体、驱动机构、拖动机构、检修平台等组成。头部壳体设有1个清扫门,1个观察门。清扫门用于清理壳体内部料斗和链轮上的积垢时;观察门用于检查链轮的工作和磨损情况、料斗卸料情况及更换出料口橡胶唇。驱动机构包括逆止电机、减速机、联轴器。拖动机构包括提升链轮、主轴、轴承座等。 5、牵引链条: 牵引链条采用板式套筒滚子链,链板、套筒、销轴均采用合金结构钢并经特殊热处理加工而成,具有强度高、寿命长、承载能力大、拆卸方便、工作可靠的优点。 6、料斗: 料斗与链条之间为螺栓连接。根据输送物料不同,料斗有ZH(中深)SH(深)两种。ZH型料斗适合较大的粒块状物料,SH型料斗适宜较小颗粒及粉状物料。  
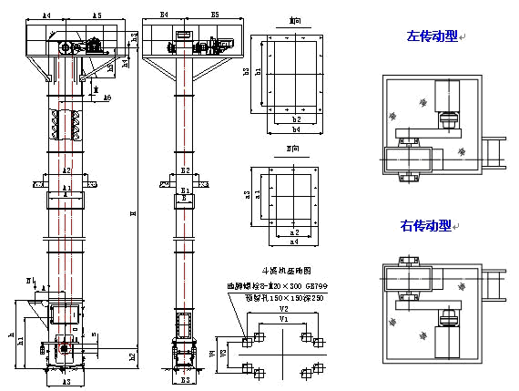
外形及安装尺寸表一: 型号 规格 | 上部区段 | B4 | B5 | A4 | A5 | A6 | h3 | h4 | h5 | ZBT250 | 1330 | 1930 | 1330 | 1930 | 850 | 550 | 260 | 1050 | ZBT300 | 1350 | 1950 | 1350 | 1950 | 870 | 580 | 260 | 1065 | ZBT400 | 1400 | 2000 | 1400 | 2000 | 870 | 580 | 260 | 1065 | ZBT500 | 1450 | 2050 | 1450 | 2050 | 920 | 630 | 310 | 1100 | ZBT630 | 1515 | 2115 | 1515 | 2115 | 930 | 650 | 330 | 1220 | ZBT800 | 1550 | 2150 | 1550 | 2150 | 920 | 650 | 330 | 1220 | ZBT1000 | 1650 | 2250 | 1650 | 2250 | 1100 | 700 | 410 | 1300 | 外形及安装尺寸表二; 型号 规格 | 下部区段 | A3 | A7 | h | h1 | h2 | B3 | S | ZBT250 | 1135 | 960 | 2100 | 1700 | 650 | 640 | 300 | ZBT300 | 1185 | 980 | 2400 | 1800 | 700 | 690 | 300 | ZBT400 | 1285 | 1030 | 2400 | 1800 | 700 | 790 | 300 | ZBT500 | 1385 | 1080 | 2400 | 1800 | 700 | 890 | 300 | ZBT630 | 1515 | 1150 | 2600 | 2000 | 800 | 1020 | 300 | ZBT800 | 1685 | 1250 | 2700 | 2100 | 900 | 1190 | 400 | ZBT1000 | 1885 | 1350 | 2800 | 2200 | 1100 | 1390 | 400 | 外形及安装尺寸表三: 型号 规格 | 进料口 | 出料口 | a1 | a2 | a3 | a4 | b1 | b2 | b3 | b4 | ZBT250 | 350 | 200 | 480 | 330 | 320 | 250 | 450 | 380 | ZBT300 | 400 | 250 | 530 | 380 | 470 | 300 | 600 | 430 | ZBT400 | 400 | 300 | 530 | 430 | 570 | 350 | 700 | 480 | ZBT500 | 500 | 400 | 630 | 530 | 670 | 400 | 800 | 530 | ZBT630 | 600 | 500 | 730 | 630 | 830 | 450 | 960 | 580 | ZBT800 | 600 | 600 | 730 | 730 | 1100 | 500 | 1230 | 630 | ZBT1000 | 700 | 700 | 830 | 830 | 1300 | 600 | 1430 | 730 | 外形及安装尺寸表四: 型号 规格 | 基础尺寸 | 中间段尺寸 | V1 | V2 | V3 | V4 | A | A1 | A2 | B | B1 | B2 | ZBT250 | 850 | 850 | 400 | 540 | 1030 | 1160 | 1430 | 320 | 450 | 820 | ZBT300 | 850 | 850 | 600 | 760 | 1130 | 1260 | 1530 | 470 | 600 | 870 | ZBT400 | 500 | 1000 | 750 | 890 | 1130 | 1270 | 1530 | 570 | 710 | 970 | ZBT500 | 650 | 1300 | 900 | 1070 | 1130 | 1270 | 1530 | 670 | 810 | 1070 | ZBT630 | 750 | 1500 | 1000 | 1210 | 1280 | 1420 | 1680 | 830 | 1070 | 1330 | ZBT800 | 750 | 1500 | 1200 | 1410 | 1280 | 1420 | 1680 | 1100 | 1240 | 1500 | ZBT1000 | 900 | 1800 | 1400 | 1610 | 1350 | 1490 | 1750 | 1300 | 1440 | 1700 | 注:表中尺寸未注单位:mm, 选型与订货: 选用斗式提升机用户应提供设备出力、提升高度、输送物料种类、物料粒度及与之相关的布置等资料。 外形尺寸图:

|