MS-9I 智能物位仪适用于各种粉状物料、小颗粒物料仓的物位测量,如粉、煤、灰、水泥、食品等料仓 的物位测量;也适用于液体固体二相介质仓的物位测量。
1.2 主要指标 使用环境温度:-40~65℃ 测量仓内温度:-40~200℃ 精度等级:0.5 级(误差不大于 0.5%) 电源: 电压 220VAC±15%,电流 2.5A
2 工作原理
MS-9I 智能物位仪的工作过程如下:当按下“测量开始”按钮后,主控器发出降锤指令,智能物位仪开
始放锤,物位信号开始变化;当锤探测到介质时,作用在钢丝绳上的拉力减小,转矩转速传感器感应到力矩 变化后,发出升锤指令,智能物位仪开始升锤,物位信号不再变化,即此时的物位值就是实际测量的料位;当重锤回复到初始位置,位时停止动作,本次测量完成。
除了上述基本测量功能外,智能物位仪还具有故障诊断报警功能,能有效地防止卡锤、埋锤等故障。
3 机务安装
3.1 外型尺寸如下图 1 所示:

3.2 机务安装方法
安装法兰为 DN80 标准法兰
图 1
智能物位仪水平安装于被测仓的顶部,如下图 2 所示。
如果被测仓顶部温度很高时,预装法兰高度应取 30mm 或更高,以使得智能物位仪处的温度不超过 60℃。 将重锤挂入挂环内,旋紧挂环螺母;将挂好锤的智能物位仪固定在用户法兰上(法兰规格为 DN80),旋
紧固定螺栓,机务安装完成。
注意事项:
(1) 智能物位仪的安装位置必须在进料口的背风侧或远离进出料口(一般不小于 2.5m。如进料口的风速 较大时,则离进料口的距离应不小于 4m),特别要防止进料对重锤的冲刷而导致智能物位仪不能正常工作的 情况出现。
(2)挂重锤的挂环螺母应旋紧,以免运行中松出而导致重锤的脱落。 (3)被测仓预埋管下口内侧不能有锋口,以免划伤钢丝绳。(4)底位应设在测量仓的斜坡上面,以免重锤碰到斜坡引起测量不准。

4 电气安装
4.1 控制电缆接线
将控制电缆接入智能物位仪的用户接线端子,端子定义如下表:
编号 | 名称 | 用途 | 说明 |
1 | QB+ | 测量启动正 | 接远方控制室测量启动按钮用(用户只需要提供无源按 钮接点)。 |
2 | QB- | 测量启动负 | |
3 | FO | 故障报警公用输出端 | 智能物位仪输出的接点为无源继电器接点,接点容量为: 1A/125VAC、0.2A/48VDC。 |
4 | FK | 故障报警常开输出端 | |
5 | FB | 故障报警常闭输出端 | |
6 | AO+ | 物位信号正 | 智能物位仪输出为有源 4~20mA 信号。 |
7 | AO- | 物位信号负 | |
8 | FG | 接大地端 | 如果智能物位仪本身有良好的接地,FG 可以不接。 |
4.2 电源电缆接线
电源电缆只需接入智能物位仪内的电源开关的下端子即可。
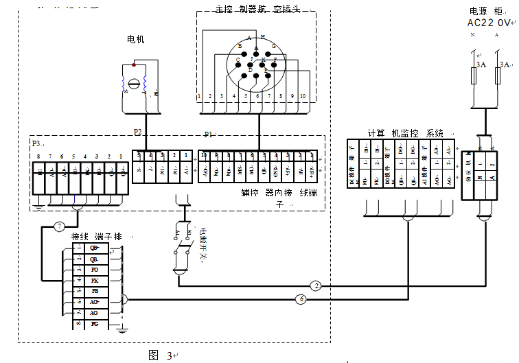
4.3 原理接线图示例
与计算机监控系统联接的原理接线图如下图:
其中故障信号采用常开输出。其中,“AI+”与“AI-”为计算机监控系统的 4~20mA 模拟量输入通道、“DO+” 与“DO-”为计算机监控系统的开关量输出通道、“DI+”与“DI-”为计算机监控系统的开关量输入通道。

5 MS-9I智能物位仪与计算机设置
5.1 按键
智能物位仪主控器内部,即打开主控器盖,共设有五个按钮,如图所示:S1、S2、S3、S4 为设置参数用,
S5 为设置参数与正常时测量启动共用。
5.2 智能物位仪设置
l 长按“S1”键直到显示变为 b1(输出方式选择),表示设置测量输出方式。
l 按“S4”进入数据输入方式,按“S1”数字增加,按“S2”数字减少。
符号 | 名称 | 范围 | 默认值 | 备注 |
b1 | 输出方式选择 | 0,1 | 0 | “0”为绝对量程方式,“1”为相对量程方式 |
其中:
绝对量程方式:对于实际量程小于20 米的,可采用绝对量程方式,此时,4~20mA 输出信号的定义为 4mA
对应 0 米,20mA 对应 20 米,当实际量程为 H 米时,对应的最大输出电流值为 H 米对应的 mA 值,即
I = 4 + 16 H (mA) 。这种输出方式的特点是计算机显示(如 PLC 或 DCS)设置时,统一为 4~20mA 对应 0~20
20
米,实际量程变化时与计算机无关。
相对量程方式:当实际量程为 H 时,4~20mA 输出信号的定义为:4mA 对应 0 米,20mA 对应 H 米。
l 按“S3”退出数据输入方式,即显示回到 b1。
l 按“S1”,显示从 b1 变为 b2(量程)。
l 按“S4”进入数据输入方式,设置按位进行,输入所需要的量程值,按“S4”输入位右移,按“S1”数字增加,按“S2”数字减少。
符号 | 名称 | 范围 | 默认值 | 备注 |
b2 | 实际量程 | 0.000~99.999m | 20.000m | 输入实际量程值 |
l 按“S3”退出设置。

6 故障记录
6.1 故障发生次数记录查询
l 故障发生次数记录为各种故障的发生次数。
l “S3”键长按直到显示变为“F1”,表示已进入故障次数记录查看状态。
l 当显示为“Fn”时,可通过“S1”、“S2”键可以切换到 Fn-1 或 Fn+1。
l 当显示为“Fn”时,按“S4”可以查看“Fn”的发生次数,按“S3”退回到“Fn”画面,此时可以通过“S1”、“S2”键查询其它故障。
l 按“S3”键退出。
6.2 最近十次故障查询
l 最近十次故障查询为最近发生的 10 次故障。
l “S4”键长按直到显示变为“01.Fn”,表示已进入故障记录查看状态。
l 显示“01.Fn”,其意义为最近一次出现的故障为“Fn”。
l 通过“S1”、“S2”键可以切换到最近第几次,如“06.Fn”,则表示最近第 6 次出现的故障为“Fn”
l 按“S3”键退出。
6.3 故障代码表
代码 | 名称 |
| 说明 |
F1 | 卡锤 | 检查重锤是否被仓内构件或异物卡住。 |
|
F2 | 堵转 | 检查钢丝绳有没有紊乱或有没有损伤。如紊乱,则应重新缠绕;如损伤,应马上更换。 | |
F3 | 埋锤 | 检查重锤是否被介质埋住。 |
|
F5 | 测量超时 | 表明测量时间超过了正常时间,有故障产生。 | |
F6 | 启动接点短路 | 检查远方测量启动接点是否一直处于闭合状态。 | |
F8 | 电机升速过慢 | 检查机箱内是否结灰严重。 |
|
F9 | 限位机构故障 | 检查限位机构是否被卡往。 |
|
7 使用与注意事项
7.1 测量使用方法
1、 按下“测量启动”按钮;
2、 放锤开始,同时物位测量值随着放锤而变化;
3、 重锤触碰到介质,物位测量值停止变化,物位仪开始提锤;
4、 重锤回到顶位,物位仪停止升锤,一次测量完成。
7.2 注意事项 钢丝绳不能与固定物摩擦,否则会引起钢丝绳断裂。 当发现故障报警时,请立即到现场查看报警原因,消除故障。注意先切断电源后再进行故障处理。