欢迎进入冠畅电力公司官方网站!
冠畅电力
电话联系电话:020-3469 8669
当前位置:首页 > 除灰系列

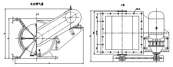
DS型电动锁气器

 

用途及特点

电动锁气器又称给料机、星形卸料器,是用于火电厂、化工厂、粮食部门等输送干燥粉状、粒状物料时锁气、均匀给料之用。在火力发电厂一般将它安装在电除尘器、省煤器、空气预热器等灰斗下部。本产品可在200℃以下连续工作,结构新颖,密封性好,维修方便。

主要技术参数

型 号

DS10

DS15

DS20

DS40

DS60

DS80

DS100

DS200

出力 t/h

10

15

20

40

60

80

100

200

 

A × A

420×420

420×420

420×420

530×530

530×530

640×640

640×640

640×640

N1×A1(A2)

3×120(0)

3×120(0)

3×120(0)

3×120(55)

3×120(55)

5×116(0)

5×116(0)

5×116(0)

N2 - d

12-Ф14

12-Ф14

12-Ф14

16-Ф14

16-Ф14

20-Ф18

20-Ф18

20-Ф18

驱动装置

功率KW

0.75

0.75

1.5

0.75

2.2

4

4

5.5

外形尺寸

h

455

504

504

550

550

600

600

600

t

15

18

18

20

20

25

25

25

L×M×H

700×547×530

790×547×587

790×547×587

895×664×634

895×664×634

1063×780×788

1063×780×788

1103×780×798




地址:广州市番禺区金山大道西金山工业园A栋303
广州冠畅电力设备有限公司 Copyright◎2013
粤ICP备130751230号 专注火力、生物质、垃圾焚烧、LNG发电配套设备服务的企业!